Yukarı Kaydır
Ürün Detayı

Basınç Tahliye Damperi HBTD

Basınç Tahliye Damperi HBTD

Basınç Tahliye Damperi HBTD

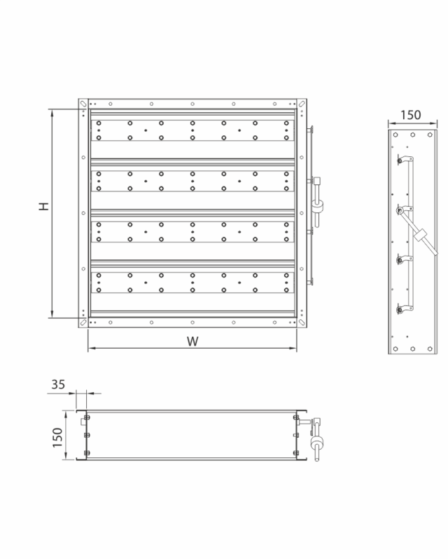
HBTD serisi Basınç Tahliye Damperi aşırı basınç riski bulunan havalandırma sistemlerinde kullanılır. Basınç değerinin aşılması durumunda kanatlar havanın tahliyesi için açılır ve sistemin güvenliği sağlanır.

Açıklama

Tanım;

* HBTD : Basınç Tahliye Damperi

– HBTD serisi Basınç Tahliye Damperi aşırı basınç riski bulunan havalandırma sistemlerinde kullanılır.
– Basınç değerinin aşılması durumunda kanatlar havanın tahliyesi için açılır ve sistemin güvenliği sağlanır.

Kullanım Alanları;

– Alışveriş Merkezleri,
– Ofis ve Çalışma Alanları
– Garaj ve Otopark Alanları
– Hastane ve Hijyenik Alanlar
– Fabrika ve Endüstriyel Tesisler

MALZEME
Kasa ve kanatlar galvaniz sacdır. Kasa, kalınlığı 1,20 mm galvaniz sacdan imal edilir. Kanat yatakları bronz malzemeden imal edilmiş olup, kanat mekanizma malzemesi çeliktendir.

YÜZEY KAPLAMA
* İsteğe bağlı olarak RAL kodundaki tüm renkler.

MONTAJ
* Hava kanalına montajı cıvata-somun ve kanal klipsi vasıtasıyla

×
7/24 Destek

Endüstriyel Havalandırma Çözümleri

Uzman ekibimizle iletişime geçin, size en uygun çözümü sunalım.

WhatsApp ile İletişime Geçin